
型设计,这意味着只有当两个通道信号都正常时,安全继电器才能正常工作。如果其中任一通道信号断开,安全继电器会立即停止输出,直到两个通道信号都恢复正常且复位后才能再次工作。
安全继电器还满足在紧急停止解除时,机器不能出现突然再启动的要求。这意味着,即使在机器的安全电路发生故障时,也能停止机器的动力电源,从而防止机器重新启动。这种特性使得安全继电器在保护操作人员免受机械伤害方面发挥重要作用。
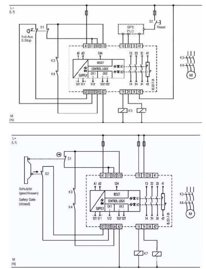
安全继电器是一种专门用于实现安全功能的电气开关设备。其主要作用是在工业和其他应用中保护人员和设备的安全k8凯发天生赢家一触即发。
1. 输入信号检测:安全继电器通过检测输入信号来感知安全状态。凯发K8一触即发输入信号通常来自传感器或其他安全设备,如光栅、安全帘、急停按钮等。输入信号可以表示物体存在、门关闭或危险条件等。
2. 故障检测:除了监测输入信号外,安全继电器还具有故障检测功能,用于监测继电器本身的运行状态。故障可以包括输出故障、电源故障、内部组件故障等。通过故障检测,安全继电器可以检测到可能影响其正常功能的错误或故障情况。
3. 安全逻辑与控制:基于输入信号和故障检测结果,安全继电器使用内部的逻辑电路来判断安全状态,并执行相应的安全控制动作。这可能包括切断电源、阻止危险操作、启动紧急停止装置等。安全继电器通常具有多个输出通道,用于控制其他设备或系统的安全操作。
4. 可靠性和反馈:安全继电器具有高可靠性,采用冗余电路设计和自我监测功能,以确保其正常工作并及时响应故障情况。同时,安全继电器通常提供反馈信号,用于监测和报告自身的状态和动作结果,以便操作员和监控系统及时了解安全状态。
安全继电器基于输入信号和故障检测结果,通过内部的逻辑判断和控制,来实现对设备和系统的安全保护。
安全继电器具有多种保护措施,这些措施旨在确保电力系统的安全和可靠运行。以下是一些常见的安全继电器保护措施:
过流保护:过流保护是安全继电器的基本功能之一,用于检测电流异常情况并采取相应的措施。过流保护可以分为瞬时过流保护和定时过流保护。瞬时过流保护是基于电流瞬时值进行保护,可以快速地断开故障电路,以防止电气设备被损坏。定时过流保护是基于电流的时间特性进行保护,可以在合适的时间内延时断电,避免误动作。
制动控制:当设备运转过程中接收到停机信号时,安全继电器会控制电机不能再次起动,从而保障设备停机安全。
紧急停机:一旦设备出现故障,安全继电器能立即切断电源,使设备立即停运,从而保障操作人员的人身安全。
过载保护:在设备出现过负荷的情况下,安全继电器会及时切断电源,避免设备长时间工作导致继电器焦烧等故障。
定期清洗安全继电器,可以使用软布或吸尘器清除灰尘和污垢。清洗后应检查继电器外壳是否存在裂纹或磨损,并及时进行更换。
定期检查继电器的接地情况,确保继电器接地正常,防止因接地异常引起的继电器故障和对操作人员的安全威胁。
安全继电器是安全回路中的关键控制部分,它接受安全输入,通过内部回路的判断,确定性地输出开关信号到设备的控制回路中。这种设计使得安全继电器能够在不同等级的危险环境下保护操作人员的安全。
是一种常用的电气保护设备,它的主要作用是在电路中检测电流是否超过额定值,并在超过额定值时通过切断电路实现对电气设备的保护。在本文中,我们将详细介绍过流
解 /
分享 /
是一种用于控制液体水平的装置,广泛应用于水处理、工业自动化和控制系统中。它通过监测液体的高低水平,来控制液体的供应、排放或报警等操作。本文将详细介绍液位
是一种常用的控制设备,主要用于控制液位的高低。它具有安装简单、操作方便k8凯发天生赢家一触即发、可靠性高的特点,广泛应用于各种工业和民用领域。 液位
讲解 /
是一种用于检测液位高低并切断或接通相应设备的电气控制器。它可以被广泛应用于化工、制药、食品、饮料、水处理等行业,具有可靠性高、反应速度快、操作
,在VCC线路上加入按键开关进行通断控制,可以实现3.3~5v的直流电可以直接控制交流220v的负载通断。具体可以通过单片机控制家庭
【每周推荐】采用11代Intel CPU,基于youyeetoo X1开发板搭建少儿AI智能STEAM积木平台
18302003037
18302003037